یاتاقان SN 516 یک هوزینگ تقسیمشونده (Plummer Block) از جنس چدن خاکستری با کیفیت بالا است که برای نگهداری بلبرینگهای غلتشی طراحی شده. این محصول با قابلیت جداسازی آسان، نصب سریع و مقاومت در برابر بارهای سنگین، گزینهای ایدهآل برای محیطهای صنعتی پرتنش محسوب میشود.
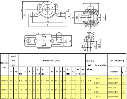
ابعاد استاندارد آن شامل طول پایه ۳۱۵ میلیمتر، عرض پایه ۹۰ میلیمتر و ارتفاع کلی حدود ۱۷۷ میلیمتر است که با شفتهای ۷۰ میلیمتری سازگار است. وزن تقریبی ۸.۵ کیلوگرم، آن را سبک و در عین حال مستحکم میسازد.
این هوزینگ با بلبرینگهای سری ۱۲۱۶، ۲۲۱۶، ۱۳۱۶ و ۲۳۱۶ جفت میشود و از مهر و مومهای لبدار یا V-ring برای جلوگیری از ورود آلایندهها بهره میبرد. طراحی دوبخشی آن اجازه میدهد تا بدون نیاز به جداسازی شفت، تعمیر و نگهداری انجام شود. علاوه بر این، سوراخهای روغنکاری تعبیهشده، روانکاری مداوم را تسهیل میکند و عمر مفید را افزایش میدهد.
یاتاقان SN 516 در برابر ارتعاش، ضربه و دماهای عملیاتی تا ۱۲۰ درجه سانتیگراد مقاوم است، که آن را برای کاربردهای مداوم مناسب میسازد. با استانداردهای ISO 113 و DIN 736-739 سازگار، این محصول از برندهای معتبر مانند SKF، NTN یا معادلهای داخلی قابل تهیه است. برای خرید، اصالت و گواهی کیفیت را بررسی کنید تا از عملکرد بهینه اطمینان حاصل شود.
کاربرد یاتاقان SN 516 در صنایع معدنی و استخراج
یاتاقان SN 516 در معادن و استخراج مواد معدنی نقش کلیدی ایفا میکند. این هوزینگ با تحمل بارهای سنگین و ارتعاشات مداوم، در نوار نقالههای حمل سنگ و مواد معدنی استفاده میشود. ساختار تقسیمشونده آن تعمیر را در محیطهای گردوغبار آسان میسازد و عمر تجهیزات را افزایش میدهد.
استفاده از یاتاقان SN 516 در صنعت سیمان و بتن
در کارخانههای سیمان، یاتاقان SN 516 برای حمایت از شفتهای آسیابهای گلولهای و کورههای دوار به کار میرود. مقاومت آن در برابر دماهای بالا و بارهای محوری، از توقفهای ناخواسته جلوگیری میکند و بهرهوری را حفظ مینماید. این محصول با روانکاری آسان، هزینههای نگهداری را کاهش میدهد.
یاتاقان SN 516 در خطوط نورد فولاد و دستگاههای برش فلز کاربرد دارد. قابلیت جبران ناهماهنگی شفت تا ۱ درجه، آن را برای محیطهای پرتنش مناسب میسازد. این هوزینگ از آسیب به بلبرینگها در برابر ضربههای مکانیکی محافظت میکند و دوام طولانی ارائه میدهد.
کاربرد یاتاقان SN 516 در کشاورزی و ماشینآلات مزرعه
در تراکتورها و ماشینهای برداشت محصول، یاتاقان SN 516 شفتهای چرخشی را پشتیبانی میکند. مقاومت در برابر رطوبت و خاک، آن را برای شرایط مزرعه ایدهآل میسازد. این محصول تعمیر سریع را امکانپذیر کرده و فصل برداشت را بدون اختلال نگه میدارد.
یاتاقان SN 516 در صنایع غذایی و بستهبندی
یاتاقان SN 516 در نوار نقالههای خطوط تولید غذا و دستگاههای بستهبندی استفاده میشود. طراحی بهداشتی آن با مهر و مومهای ضدآلودگی، استانداردهای ایمنی را رعایت میکند. این هوزینگ چرخش نرم را تضمین کرده و کیفیت محصول نهایی را حفظ مینماید.
استفاده از یاتاقان SN 516 در پمپها و سیستمهای هیدرولیک
در پمپهای صنعتی و سیستمهای هیدرولیک، یاتاقان SN 516 بارهای شعاعی و محوری را مدیریت میکند. ساختار مستحکم آن در برابر فشارهای سیال مقاوم است و جریان مداوم را فراهم میآورد. این محصول برای کاربردهای آبیاری و تصفیه آب نیز مناسب است.
نقش یاتاقان SN 516 در فنها و سیستمهای تهویه
یاتاقان SN 516 در فنهای صنعتی و سیستمهای HVAC شفتهای چرخان را نگه میدارد. تحمل سرعتهای بالا و کاهش ارتعاش، آن را برای محیطهای بسته مانند کارخانهها ایدهآل میسازد. این هوزینگ کارایی انرژی را افزایش داده و نویز را کم میکند.
کاربرد یاتاقان SN 516 در ماشینآلات چاپ و کاغذسازی
در دستگاههای چاپ افست و آسیابهای کاغذ، یاتاقان SN 516 دقت چرخش را تضمین میکند. مقاومت در برابر بارهای متغیر، کیفیت چاپ را حفظ مینماید. این محصول تعمیرات دورهای را ساده کرده و تولید مداوم را حمایت میکند.
یاتاقان SN 516 در صنایع شیمیایی و پتروشیمی
یاتاقان SN 516 در میکسرهای شیمیایی و پمپهای فرآیندی کاربرد دارد. مواد مقاوم به خوردگی آن در محیطهای اسیدی عملکرد پایدار ارائه میدهد. این هوزینگ ایمنی عملیات را افزایش داده و نشتی را جلوگیری میکند.
استفاده از یاتاقان SN 516 در آسانسورها و سیستمهای حملونقل
در آسانسورهای صنعتی و نوار نقالههای انبارداری، یاتاقان SN 516 بارهای عمودی را تحمل میکند. طراحی ایمن آن از سقوط جلوگیری کرده و کارایی سیستم را حفظ مینماید. این محصول برای کاربردهای لجستیکی نیز مناسب است.







دیدگاهها
هیچ دیدگاهی برای این محصول نوشته نشده است.